图知网
搜索
首页
热门推荐
图片分类
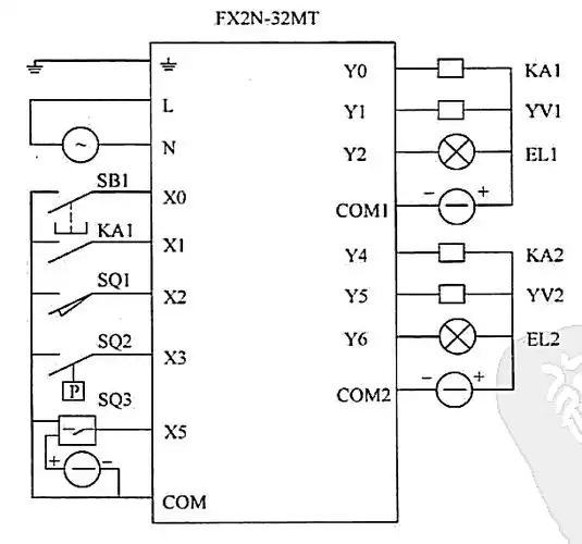
使用fx2n-2ad模块一个通道控制压缩机的启动和停机为
下载原图
相关图片
fx2n-32mr plc控制接线图
三菱fx2nplc输入输出接线图
三菱fx2n做从站的modbus通讯三菱plc编程多种电缆接线图收藏向
三菱fx2n-32er扩展模块接线图
求三菱fx2n的plc到海泰克触摸屏的接线图
fx2n-4ad接线问题
为你推荐
乐观自信美丽大方的女生微信头像!
赵丽颖罕见换造型美到大家!
黄宗泽与绯闻女友同台演夫妻,亲热戏完全自在!_陈豪
大军师司马懿之军师联盟
何雨虹甜美靓丽惹人喜爱
肚子大了(宝妈的产后大肚腩)
新加坡详细地图中文版
【3d角色建模】嘿!你的女神,不 是你的女神