图知网
搜索
首页
热门推荐
图片分类
吊钩组日常使用注意的事项
下载原图
相关图片
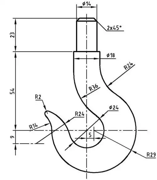
autocad 基础教程:绘制吊钩
大型高强度合金钢吊钩锻件及制作方法与流程
机械制图习题集,吊钩画法.
吊钩轴承在单爪吊钩上的应用
吊钩使用检查
机械制图画吊钩,求图!
为你推荐
张艺谋小31岁娇妻颜值高,穿绸面连衣裙优雅端庄,细看很有夫妻相_陈婷
古风人物简笔画166866
极米无屏电视联合创始人,天津卫视《非你莫属》boss 团成员,中国创新
医保新政以后,对退休人员的医保卡账户会有什么影响?
第二面 截图
创意美术ppt《船票》
巴图陪妻做产检,结束后两人继续赚奶粉钱_王博谷
countryhumans日系の男孩