图知网
搜索
首页
热门推荐
图片分类
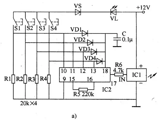
无线遥控开关六
下载原图
相关图片
无线遥控开关电路图
无线遥控电子开关
4路无线遥控开关的制作
浅析四路无线遥控开关的设计
无线遥控电子开关电路图及原理分析
自制无线遥控开关
为你推荐
分手后首晒照,金希澈晒与金泰妍合影,亲密同框cp感满满
满头卷烫发,不论短发还是长发,只要卷度和花型选对,就能轻松地避免
旗袍秀,怡人摄影制作
工友1012蓝色一次性口罩
激昂欢庆的红色背景图
蝙蝠侠:黑暗骑士崛起(2012)
拉斐尔大师速写作品
王者荣耀铠约