图知网
搜索
首页
热门推荐
图片分类
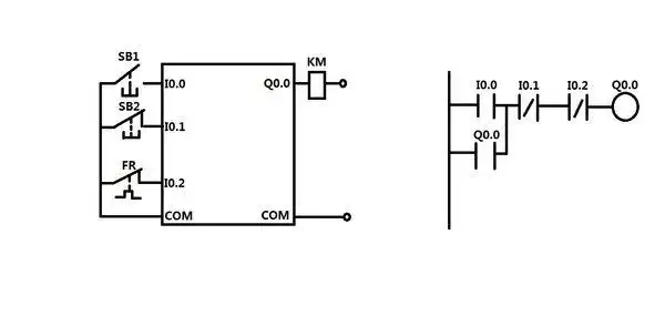
plc互锁梯形图
下载原图
相关图片
一个西门子plc 200的起保停程序梯形图如下图,编译时提示有一个错误
plc自锁闭锁程序梯形图解决方案华强电子网
关于起保停电路的plc梯形图
西门子s7-200 224cn的梯形图解析
plc梯形图解释下
13.plc入门程序:电机起保停控制电路
为你推荐
男生日系短发烫发效果图
金叶佛甲草黄金佛甲草
缺少父爱的巴图和妈妈相依为命如今终于苦尽甘来和妻子很幸福
聊天背景锁屏壁纸
采访doctors金来沅②getitk
来你不是要上车么
鹰
小猪佩奇简笔画涂色可打印100多张