图知网
搜索
首页
热门推荐
图片分类
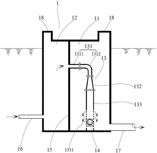
一种用于生态电站中的溢流堰结构
下载原图
相关图片
溢流堰纵剖面图
受液槽 溢流堰
浅谈底滤之三重溢流管工作原理
赣江水库溢流坝剖图
跌水
cn106013407a_溢流装置及蓄水池有效
为你推荐
高冷御姐头像女生头像
求求你啦(熊猫头表情包)_熊猫_求求表情时间:2021-07-04浏览:(451)
201905一年级的小宝贝们又出班刊了连环画计一
高中生男生发型要求(十种高中男生最帅的发型) 图12
诚信书法的相册 - 2019年隶书新作品
水彩水粉画简单水彩水粉画入门怎么画
ウルトラセブンのうた(赛文奥特曼主题曲)吉他谱1
【大师丰子恺漫画里的二十四节气】