图知网
搜索
首页
热门推荐
图片分类
白之女王手办角川
下载原图
相关图片
白之女王&时崎狂三
约会大作战狂三外传开播!三三美如画,剧情魔改只为第四季!
欢迎大家参与完善约会大作战系列条目~开始我们的约会(战争)吧!
【颜值测试】当你用测颜网站测试白之女王美不美_哔哩哔哩_bilibili
约会大作战-狂三外传-白之女王bgm
『约战:精灵再临』时崎狂三-白之女王,双人高级看板:红或白.
为你推荐
一次采访中,张一山被问:"如果杨紫结婚了,你随多少礼啊?
插画资源素材 一推美女 美妙婀娜的舞女
陆垠箐烤肉coral
硬笔楷书双人旁
《借我》吉他谱-c大调音乐网
基本功:胯,我们班大部分宝贝现在已经有意识
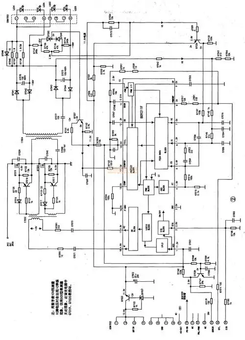
夏普46l×430电源板背光电路原理部析及检修
50年代原装裱教学挂图一幅明末农民起义图1958地图出版社出版中心尺寸