图知网
搜索
首页
热门推荐
图片分类
icm为±50a,pcm为300w,ft为30mhz,由它们构成的胆石混合功放电路如图1
下载原图
相关图片
制作了个分立小功放那个,对管5200和1943,早想分享了,无奈刚有时间
一对5200 1943 推12寸 4欧的喇叭是否不给力啊.
电子管典型半调试自偏压方式功放级电路
各种进口功放电路图
100w功放电路图
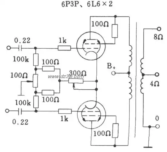
807电子管功放电路图大全(十款模拟电路设计原理图详解)
为你推荐
情侣头像 l 和喜欢的人同居是什么体验_网易订阅
雾感青灰色高级感满满的超好看显白
杨超越 壁纸
学吉他的你 一定给我点赞 关注哦 不然找不到我#吉他教学 #吉他和弦
等待黎明
枯木发芽简笔画
壹篆书书法字典
皇冠纹身图片