图知网
搜索
首页
热门推荐
图片分类
lv邮差包真假辨别图片,路易威登m40780真假对比方法
下载原图
相关图片
lv水桶包mini鉴定真假对比图奢侈品鉴定真假对比
细节你不能错过奢侈品鉴别lv邮差包真假鉴别辨别路易威登邮差包真伪
lv三合一包包肉眼鉴定,秒懂真假区别
1,从形状辨别lv neverfull老花包真假
奢侈品鉴定真假/lv邮差包真假鉴定辨别真伪方法
lv的包包怎么辨别真假图片(lv的包包怎么辨别真假)-第2张图片-原单
为你推荐
不老女神朱茵依旧身材傲人_网易订阅
盘点80年代红极一时的香港女明星,网友评论:都是大美女啊
邓超元白色西服元气写真图片
中国空间站舱外全景相机拍摄画面
黎姿罕见晒与李嘉欣合照庆祝其生日快乐两人息影多年依旧感情好
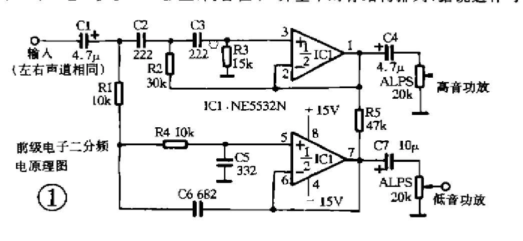
ne5532_电子分频电路_重低音_高音
高冷帅气,漫画风格,让你在朋友圈脱颖而出.
孙俪晒女儿,6岁小花妹妹写不好毛笔字哭了,靠在妈妈身上太软萌