图知网
搜索
首页
热门推荐
图片分类
解放j6p 2015款全车电路原理图
下载原图
相关图片
解放j6电路图.
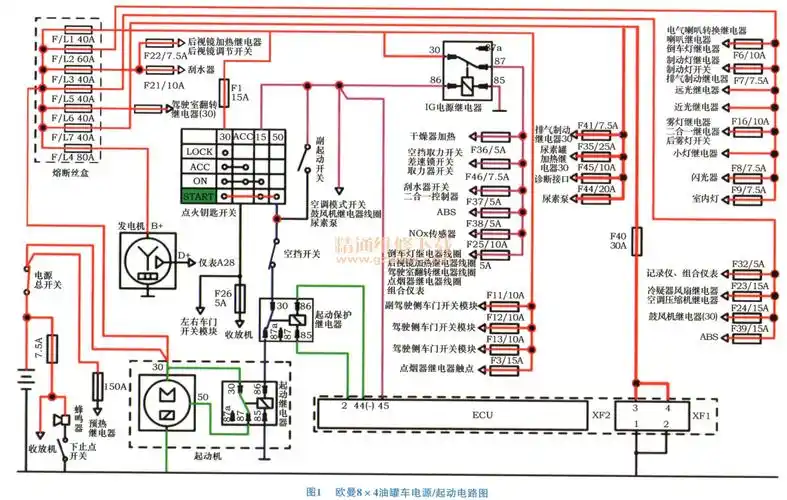
欧曼8×4油罐车电源/起动电路分析
福田奥铃载货汽车电路图
二汽东风eq1092f型载重车电控线束电路图
北汽福田bj奥1027v2mb5-1型载重车电路图
福田欧曼全车电路图.doc 8页
为你推荐
王一博有哪些少年感的照片
徐明浩兰芝品牌护肤代言人##徐明浩青春环游记
史实冷兵器 欧洲破甲长柄锤
蓝色--哆啦a梦_卡通动漫qq皮肤_我要个性网
哥特书法字母向量
明宣德景德镇御窑厂红釉高足碗
永保县革命委员会旧址砖木式结构.jpg
四分位数绘制箱线图有广泛的应用.