图知网
搜索
首页
热门推荐
图片分类
滑轮组组装方法
下载原图
相关图片
不锈钢木门吊轮滑轮推拉门吊滑轮移门吊门轮吊轨道滑轮小号4轮
木移门折叠门配件滑轮万向旋转吊轮推拉门轨道吊滑轨吊门滑轮
不锈钢吊轮玻璃木推拉移折叠吊滑轴承尼龙淋浴房滑轮4轮
安装示意图
金豪正不锈钢静音4轮吊轮厨房推拉门吊轮移门轮子趟门滑槽吊轨配件
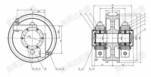
直径500150双边起重机铸造行车轮行车行走大轮带角箱淬火车轮45钢制成
为你推荐
《奇妙小森林》海报曝光 郑爽泡面刘海造型萌翻啦
尚远袈裟台湾广袖海青大袖僧人僧服僧衣男女居士服打坐禅修法会
随着一年一度的中国发展高层论坛召开在即,世界瞩目之下,苹果公司
邵氏经典恐怖电影(10部邵氏最吓人的恐怖片推荐)
汤姆猫头像
向日葵头像
贵州某温泉度假山庄修建性详细规划方案设计
夹网月亮网扒网搭网挑网老式竹竿赶鱼网捕鱼抬网渔网赶夹夹网搬筝