图知网
搜索
首页
热门推荐
图片分类
jd1a电磁调速器说明书
下载原图
相关图片
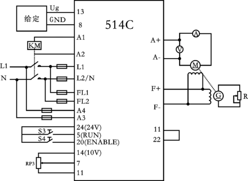
第六 节 欧陆514c型直流调速控制系统
直流调速器调试方法和调试注意事项
ws-l数显调速器接线方法 ◆ 单向旋转
电机调速器工作原理以及接线图
很实用的晶闸管直流电机调速电路设计参考(有放大图片)
pdd-12b-2磨床直流调速器--传动百科
为你推荐
手机动态壁纸锁屏壁纸手机壁纸精选(免费壁纸)
一人留下一句辛弃疾的词句#辛弃疾 #鹧鸪天 #古诗词
早安图片大全愿你健康平安幸福快乐
感染毛霉菌病的概率更大,由于饮食等原因,本身印度得糖尿病的病人数量
帅哥华晨宇创意手绘手机壁纸
白冰演过的电视剧大全
2022上海笑果脱口秀兰心大戏院专场时间地点门票预订
hello_歌谱简谱_哆来咪123曲谱网