图知网
搜索
首页
热门推荐
图片分类
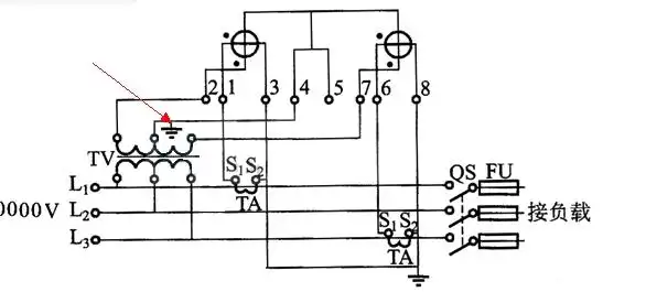
10kv高压计量接线图
下载原图
相关图片
智能电表计量接线图
[分享]电能计量装置常用接线原理图 3d示意图
郭老师在计量中10kv高供高计中三相三线表,他的电压是相电压还是线
高压计量接线图
【求助】10kv配电柜上的三相三线电度表接线疑问
下面这张图,是一个专变房10kv电气主接线中的进线柜,计量柜,能发现
为你推荐
贺峻霖多巴胺毛衣
2021唯美冬天早安问候祝福图片带字温馨
启功印章长庆图片_书法字_编号11066793_红动中国
黑毛肚边角丝新鲜冷冻毛肚边角料千层肚牛肚牛百叶丝重庆火锅食材黑
prada男士鳄鱼皮手包
斜方肌在肩胛骨的固定和运动过程中发挥着重要作用.
汐の御姐头像【禁止二传】
html5 css设置背景图片