图知网
搜索
首页
热门推荐
图片分类
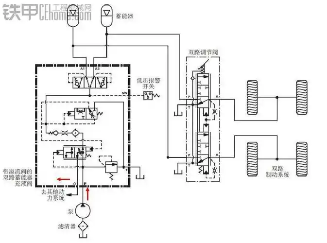
电瓶铲车 strong>电路 /strong>.gif
下载原图
相关图片
50装载机起动马达接线电路图
50装载机起动马达接线电路图
蓄电池铲车电气控制电路解决方案华强电子网
合力叉车电路接线图
铲车电路调节器接线图
电源电路
为你推荐
短发微卷
资料图片韩星eugene柳真精彩写真7
爱生活爱自己-萌趣果冻简约字体
汉字笔画表图片
宏楠五道口
版本一 《云上太阳》尤克里里弹唱谱
就要改造变速箱,在手动挡变速箱的基础上增加一套电子换挡机构
《终极斗士》2 博伊卡和冠军之间的第一次赛前训练和第二次赛前训练