图知网
搜索
首页
热门推荐
图片分类
互锁,自锁,连锁接线图 - 抖音
下载原图
相关图片
自锁与互锁电路是什么,它们有一致和不同的地方?
自锁,互锁和联锁图
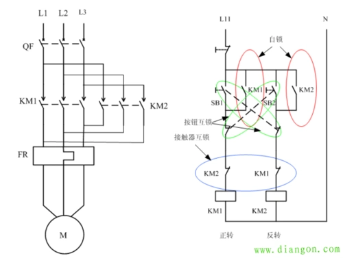
图5-18 自锁与互锁电路
自锁一般用于自保持,互锁用于确定电机旋转方向.
什么是互锁?什么是自锁?
如果还不会自锁电路那就参考3个实物接线图吧
为你推荐
肖战顾魏日日相伴不负相遇剧照##肖战顾魏
小哥哥处cp吗_哥哥_cp表情
常年戴耳钉的16个男艺人黄子韬乔任梁是妖孽黄宗泽潘粤明出彩
王菲剪波波头更年轻,穿破洞t恤配紧身裤低调现身,明星气场强大
罪恶王冠
钻石海棠
郭涛个人资料 女歌手郭涛图片大全-思宇生活
大妈吵架表情包.