图知网
搜索
首页
热门推荐
图片分类
卡通可爱丑萌呆呆小袋鼠贴纸手帐装饰防水笔记本手机壳背卡diy贴
下载原图
相关图片
呆呆的
同欢喜,同落泪,同感动——傻呆呆动漫头像
宠溺到爆的呆呆萌萌的情侣头像 温柔宠溺的手绘可爱情头2022
帅哥头像,帅哥动漫头像_呆呆头像网
手绘卡通可爱萌宠动物表情包灰色小象呆呆傻兮兮
手绘简约卡通可爱头像人物的动物的搞笑的我就喜欢这种呆呆的萌萌的
为你推荐
谭松韵一组初春大片已上线,笑容甜美治愈,文艺范儿十足_氛围_胶片
沙溢
理想照耀中国:刘威当绿叶,赵丽颖演技受限,孩子们的表现最出彩
抽象笔触蓝墨水彩毛笔水彩泼墨水彩背景
墨尔本大学校徽
2021白色系女生动漫头像
杨恭如
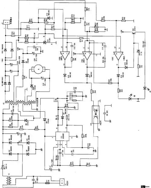
电动车充电器电路原理图