图知网
搜索
首页
热门推荐
图片分类
空调系统制冷,制热流向及制冷剂状态变化过程. - 抖音
下载原图
相关图片
集中式空调系统
环控先进控制系统的新型空调
lg ls-t321pdta室内空调机原理图
空调自控原理图
中央空调系统原理图
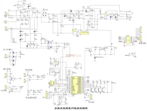
空调原理图2
为你推荐
tfboys高清壁纸合集
【英雄联盟】斗魂觉醒–格温 4k动态壁纸
勇敢的心温柔盲女成亮点肖茵为戏学按摩
madilyn bailey麦姐经典演唱 - hate you more 开口跪 无法抗拒这种
空条承太郎 - 堆糖,美图壁纸兴趣社区
梁启超 书法对联
男子夏天不爱喝水 肾里取出143块结石(图)
低空幽灵美国科曼奇隐身武装直升机