图知网
搜索
首页
热门推荐
图片分类
茅台集团总经理办公会研究多项议题
下载原图
相关图片
乐歌人体工学科技股份有限公司常务副总裁茅剑辉详细介绍了企业发展
一名滴滴司机的演员梦:当群众演员11年,演得最多的
茅剑辉
疫情当前广州律协为2472家中小微企业提供法律服务
多项指标领跑全国广州法治政府建设成效显著
2017年云南省第三届小学数学青年教师与全国名师同课异构观摩研讨会
为你推荐
蔡依林 #金九 #vogue封面 - 抖音
古典新中式风格效果图新中式简装图片
拍摄中途换导演!成龙电影《醉拳2》幕后的3个冷知识
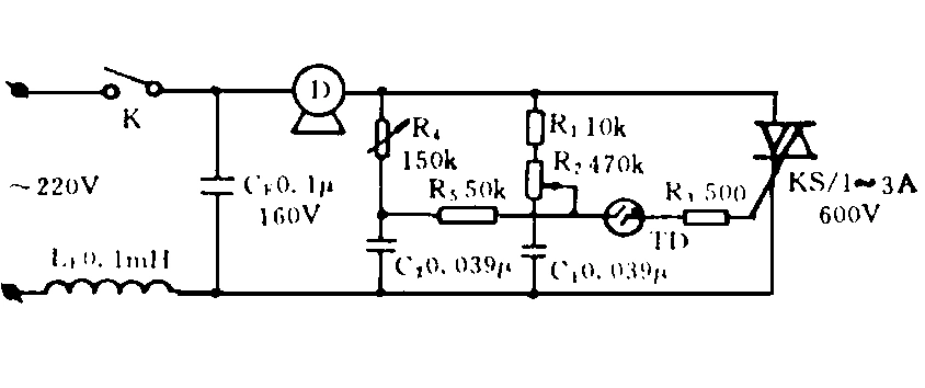
小型单相交流电机简易调速器
折扣券抵用券图片-折扣券抵用券素材下载-众图网
河套平原位置图
可爱系/蒙古元素头像 情侣头像
粉色的康乃馨