图知网
搜索
首页
热门推荐
图片分类
老式面包
下载原图
相关图片
寻找记忆中的味道(一) 老奶油面包
再战老式面包
老式奶油面包小时候的味道
老式面包
老式面包
70年代老式面包2袋包邮装传统营养早餐东北特产手工怀旧食品糕点
为你推荐
清 青花鸟食罐(一组5件)
早安- 美篇
糜烂型足癣
温柔仙女壁纸
护理巡视记录单2016
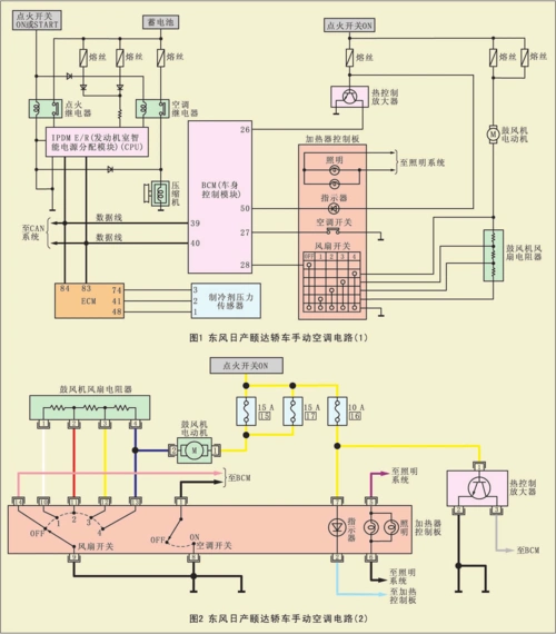
第1页 (共4页,当前第1页) 你可能喜欢 汽车空调电路 日产天籁维修手册
87版红楼梦 #陈晓旭林黛玉绝美镜头 #国风古韵 #林黛玉 - 抖音
星巴克咖啡 随拍静物