图知网
搜索
首页
热门推荐
图片分类
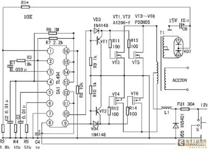
逆变器12v转220v电路图图文
下载原图
相关图片
48v逆变220v简单元件接线电路图
48v5kw双向变换正弦波逆变器电路原理图免费下载
48v转12v电路图
50hz逆变器电路图
逆变电源(将-48v直流电源逆变为1 - 变流,电压变换,逆变电路 - 电子
逆变器原理电路图解12v直流变成220v交流电
为你推荐
别着急,爱情在哪个角落都会发生
国粹京剧ppt
最喜欢的一张海报.#詹姆斯 #nba #23号骑士 - 抖音
唐艺昕运动少女范性感图片
喜欢你陈洁仪原版山山吉他编配
蛋糕简笔画 蛋糕简笔画儿童画
红色激情版ferrari 458 italia_法拉利论坛_手机汽车之家
63岁丧偶女征婚照片(id:55065870)_山东济南征婚交友_珍爱网