图知网
搜索
首页
热门推荐
图片分类
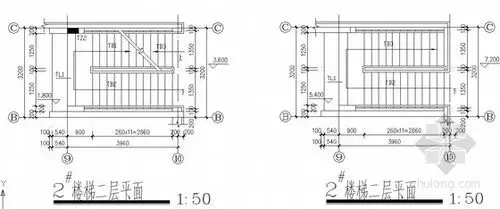
确认方案可行,没有碰头等问题后,就可以将旋转楼梯模型,导入cad,根据"
下载原图
相关图片
[分享]楼梯构造详图cad资料免费下载
[分享]楼梯构造详图cad资料免费下载
正面楼梯怎么画教你漫画扶手楼梯的画法教程
99的石材人都需要的楼梯cad节点图合集
分享三折钢楼梯cad图纸资料下载
99设计师都需要的楼梯cad节点详图合集
为你推荐
海岛生存类游戏_好玩的海岛求生游戏手机版_好玩的海上生存游戏-手机
可爱的小手手
2000_3000竖版 竖屏
就算吴倩给张雨剑生了个女儿,还是比不过那个平面模特!
《你好李焕英》中焕英的妈妈——#张小斐# #福星娱乐
原创柴鸡蛋公司成被执行人早年曾出品热门网剧
裕祥电瓶正品保证原装蓄电池10s11s铃木福星阳光125雅马哈福喜100
回顾:在田野和湖泊附近出现,以各种小昆虫为食蜻蜓有什么特别?