图知网
搜索
首页
热门推荐
图片分类
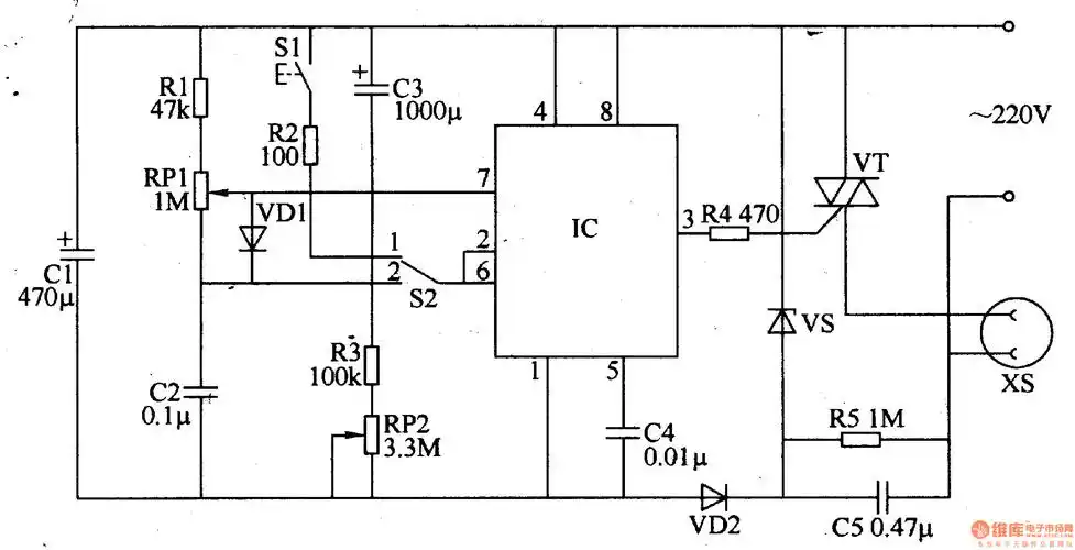
喷油器控制电路图
下载原图
相关图片
一种静电喷雾器控制电路的制作方法
电动喷雾器的无级调速电路
三,室内风机调速电路
汽车发动机电控技术实验指导书 大众桑塔纳2000轿车喷油器的连接电路
多功能调光,调速器 二
电动机电子调速控制器电路图六
为你推荐
电影版《何以笙箫默》演员表
上海48岁阿姨因屋子过于温馨走红家里无一丝俗气太高级了
世界最贵的兰博基尼车是哪一款(有史以来世界上最昂贵的10辆兰博基尼)
【z小驴】机器人之战~改装机甲!对决开始!
邓丽君各个时期的高清图片
turquoisewaterofoceansurroundedwithroughformationswithperson图片
山东北骏2吨爬山虎履带运输车
【韩剧item 申素英 / 陈世妍 个人向 || 短剪】