图知网
搜索
首页
热门推荐
图片分类
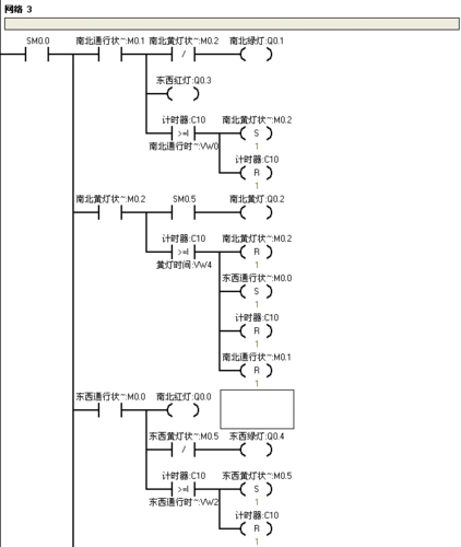
plc十字路口的交通灯控制编程实例
下载原图
相关图片
plc交通灯梯形图
plc交通灯梯形图
帮忙写一个十字路口两车道交通信号灯的plc程序
plc交通灯梯形图.docx 8页
plc控制红绿灯毕业设计解决方案华强电子网
plc交通灯梯形图实例_ plc控制红绿灯毕业论文_ plc控制交通信号灯
为你推荐
【王一博】王耶啵腹肌大赏 传说中的一块原来是华夫饼
p>《金刚》是2005年上映的一部冒险电影,重拍1933年经典同名电影
语录 往事就该留在回忆里
结构素描[几何体组合2]今天来一个崭新的几何体组合. 增加一 - 抖音
男孩和女孩手牵着手
【新客立减】真实之镜无镜像镜子别人眼中的自己正像反向化妆镜
【木门窗大样图】门窗剖立面图02.pdf 1页
北京西山温泉好玩吗,北京西山温泉景点怎么样_点评_评价【携程攻略】