图知网
搜索
首页
热门推荐
图片分类
原创女人过了50岁试试这3种发型女明星们很喜欢
下载原图
相关图片
这才是最适合4,50岁女人的发型:不烫不染好打理,还减龄显脸小_大气
【时尚一点】女人到了50岁发型决定气质,3款"大妈发型"要记得避开,太
50岁女性发型推荐:10款显年轻的短发
适合五六十岁女人的抱团卷,时髦洋气又显发量,好打理又显年轻|发型
50岁女人的"气质发型",显年轻还好打理,别再剪大妈头了!
这才是最适合4,50岁女人的发型:不烫不染好打理,还减龄显脸小_大气
为你推荐
我们结婚啦!
王一博也曾有过精灵的造型,一头银发披肩而下,五官更加的精致.
甜甜情话
吕一活波开朗的女孩,甜美可爱,楚楚动人!__财经头条
变态胡歌说话soogifsoogif出品电视剧soogifsoogif出品gif动图_动态图
giantess tread (穿盔甲的女巨人3)
小草莓简笔画
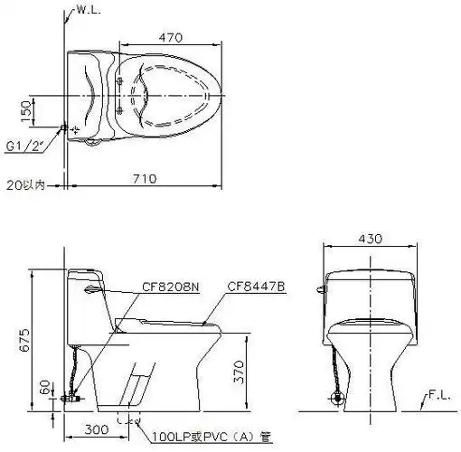
马桶四周预留尺寸是多少