图知网
搜索
首页
热门推荐
图片分类
帮我分析这个usb电路图
下载原图
相关图片
风扇- 热门商品专区
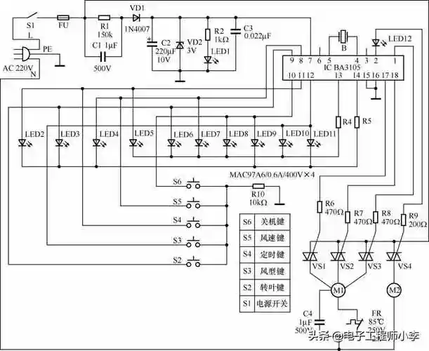
电风扇模拟自然风电路七
电风扇电路图及原理图-光电显示电路图-电子产品世界
电风扇的电路图典型电风扇电路的识图方法
电风扇电路的识图与检测方法
5vusb充电器电路图
为你推荐
【周杰伦】【烟花易冷】我听闻,你始终一个人 伪mv 梁朝伟 林志玲
67艾奇电子相册软件如何给图片添加相框
杰尼龟冲不动了(宇宙饼饼oba)_oba_杰尼龟_宇宙_不动表情
三鲜柳叶包
实拍关中葬礼
诘め合わせ/なるゑのイラスト
一丝丝好转7099在这里感谢上一个笔记帮助我的盆友们(鞠躬)p2是2
达利园蛋黄派礼盒装整箱