图知网
搜索
首页
热门推荐
图片分类
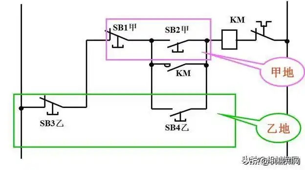
图7-9 应急照明二次回路原理图
下载原图
相关图片
怎样掌握操作二次回路的一般原则?
典型二次回路图增压水泵原理图
积成电子 线路保护装置 操作回路 二次回路 看不懂
二次电路的接线图
二次回路(如何看懂二次回路图)
开关柜二次回路,图文解析!
为你推荐
nba超巨年轻时候的模样,科比看着让人心碎,跟二女儿模样太像了
手机壁纸唯美古风男女壁纸图片高清无水印版
求关于爱情和婚姻的基督教赞美诗
医字的笔顺怎样写呢?
求帮忙制作校园封面底图!求ps大神
贝吉棋洋气妈妈装夏季中袖上衣新款中年女t恤小衫百搭中老年t恤衫女
拿着毕业论文的妈妈简笔画大全
动漫女孩,剑,红发壁纸