图知网
搜索
首页
热门推荐
图片分类
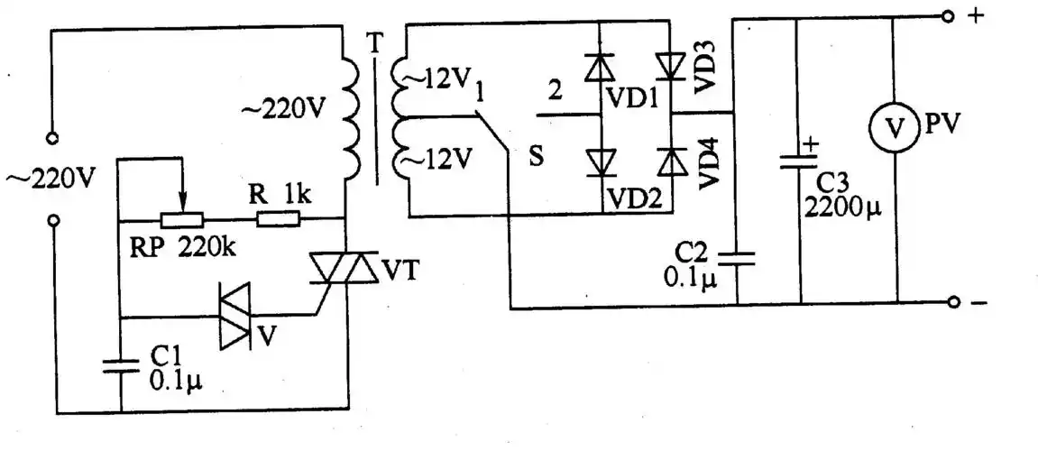
如图所示为一实用的高精度可调电源电路.
下载原图
相关图片
该可调直流稳压电源电路由调压器电路和有源电子滤波电路组成,如图5-1
lm317直流可调电源电路原理图
2,可调稳压电源电路
无忧文档 所有分类 工程科技 电子/电路 lm317可调稳压直流电源原理图
求0-30v可调电源的设计,最大电流2a
该可调稳压电源电路由电子调压开关电路和电源变换电路组成,如图5-14
为你推荐
沙溢,沈腾,杨洋军艺校草大战一触即发
酷帅法拉利跑车壁纸_让人心动的豪华跑车
不手势矢量
"元气满满的麦麦"赵今麦_角色_演技_大学生
动漫 #索隆 #超清 #海贼王索隆 #优质 - 抖音
ins风高级质感欧美男头超霸气 高端帅气超火高冷男神欧美头像_欧美
她是德云社最美女演员,出身名门,师从王惠至今单身|邢鹤薇|德云社|女
武士甲胄