图知网
搜索
首页
热门推荐
图片分类
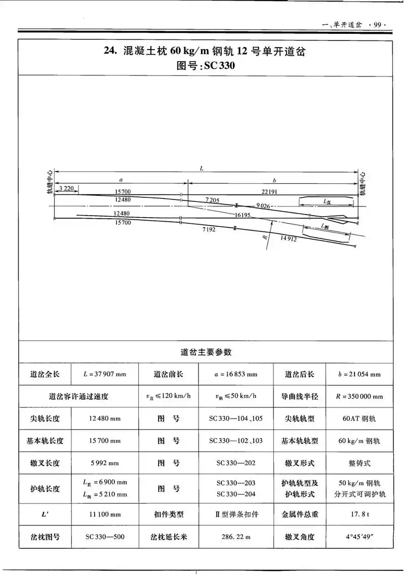
道岔安装装置安装图册 (sc330)
下载原图
相关图片
供应60kg/m钢轨12号单开道岔(sc330)
【淮西电务车间】淮西站2006道岔联合检查(立项)
道岔制式sc330
混凝土枕60kg/m钢轨12号单开道岔图号sc330#道岔厂 - 抖音
60kgm钢轨12单开道岔的结构原理病害及整治
常用道岔主要参数手册-4
为你推荐
航天飞机儿童画怎么画 航天飞机简笔画简单
保安用手铐控制起冲突的男子却因非法使用警械被刑拘10日
神奇宝贝 口袋怪兽
自己安装的油烟机装饰罩真香
沙海张起灵第几集出现?
让人心碎的伤感句子,送给深夜失眠的自己
历史上,真实的"鬼子进村"是这样的,别再被电视剧给骗了_胜利
2020 年 6 月:基督教天主教墓地中的古董天使雕像(始于 1900 年