图知网
搜索
首页
热门推荐
图片分类
什么是自锁?
下载原图
相关图片
接触器自锁
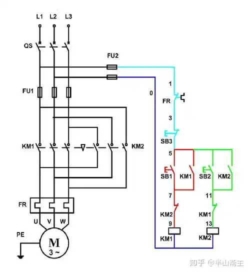
交流接触器自锁互锁电路图
304不锈钢自锁接头.304不锈钢自锁接头,通水通气,耐酸碱 - 抖音
什么是接触器的自锁和互锁
怎样才能实现自锁控制?急!急!
自锁互锁
为你推荐
动漫男孩简笔画 动漫男孩简笔画帅气
可爱的宝贝
唐人街探案3曝光终极预告王宝强刘昊然遇密室难案
今日消费资讯:王嘉尔成为阿玛尼香水大使,优衣库将重新发售 kaws 联名
发型|超美的渐变发色,长发姑娘快去染一个
你知道遮天里叶凡那些同学混的最惨的是谁吗?
斯琴格日乐这身材,这才是尤物啊!
《红塔山》(出口)烤烟型