图知网
搜索
首页
热门推荐
图片分类
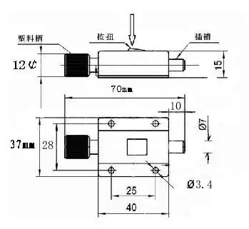
一种可折叠式插销的制作方法
下载原图
相关图片
【厂家自营】不锈钢插销 门窗自动弹簧插销 门扣门栓 防盗
直径8mm弹簧插销卡车弹簧插销车用插销锁集装箱插销
弹簧插销图纸合集的封面图
不锈钢插销防火门插销木质门插销暗插销6寸8寸12寸
莱美盛6mm不锈钢弹簧插销铰链不锈钢插销
弹簧闩销
为你推荐
刘德华加上宁浩,这样的黄金组合影迷等了许多年,可电影仿佛就是一个
【板绘】王宝强夸张肖像漫画painter平涂画法,抓住人物特征想画的不生
赵丽颖军装照 漂亮的都掉渣了!
男人穿西装皮鞋的搭配会暴露衣品那应该要怎样穿
好看的简单手绘头像女高清好看的微信头像女生简单手绘图片
紫霞仙子朱茵 wink 眯眼 gif 动图
四川盆地图片
保安日记梗原文我是一个保安爱吃小熊饼干工资只够早餐