图知网
搜索
首页
热门推荐
图片分类
输出变速拨叉和指形拨杆焊合件 - 机床附件图纸 - 沐风网
下载原图
相关图片
唐山迁西县长期电焊工,会看图纸,有高空作业证的另加-鱼泡网
电焊图纸-200x380x20是什么意思
压路机焊接图纸
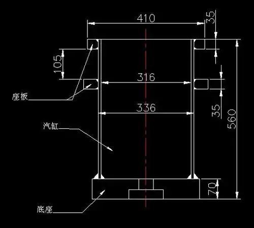
汽缸电焊如何防止变形?
图纸下载 cad图纸 圆柱体相贯线焊接专机装配图
结构焊缝图纸大全
为你推荐
62岁胡慧中近照曝光,妆容精致气质优雅,昔日"霸王花"风采依旧
十里洋场一朝梦—上海外滩华尔道夫酒店
草帽海贼团背影简笔画
阿肯q版打卡男生线稿
脚指甲变黄变脆了,会是灰指甲吗?
四平路站 - wikivisually
女人右脚上长痣代表什么
草坪上的白色简单时钟,3点50分3点50分