图知网
搜索
首页
热门推荐
图片分类
rgb灯带放大器 信号放大器 12v 5050rgb灯条放大器 模组放大器
下载原图
相关图片
led抗衰老的几个小妙招智能控制led灯带亮灭的原理方案
rgb小夜灯ic芯片,4灯渐明渐暗芯片,led七彩闪灯ic.
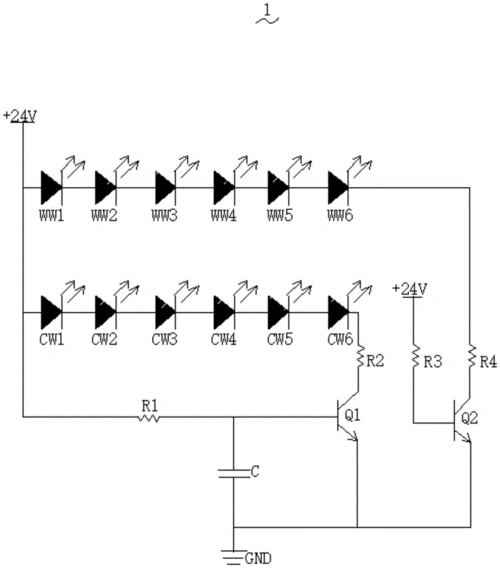
一种无需控制器的调色温led灯条电路
一种超长低压灯带
壁挂炉不是传统意义上的燃气热水器
led调光
为你推荐
情侣比心手势情侣头像图片大全
五一劳动节儿童画手抄报模板小学生热爱劳动光荣干家务简笔画线稿
红色三角形装饰三角红旗免抠图
新疆地图
劳力士绿水鬼是一款潜水手表,型号为116610 - 抖音
【栗之酱】山茶花 初识茶花在江南冬末,不像语嫣出场时那般婉约,缱绻
女性激素六项化验结果
我好心疼你