图知网
搜索
首页
热门推荐
图片分类
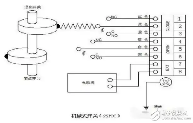
天车吨位限位器接线图
下载原图
相关图片
怎么安装调试电动葫芦限位器?_河北悍象起重机械有限公司
品牌 科雷 型号 lamp-q5 配件适用对象 起重机 规格 蓝屏负载限制器
bcq-m型旁压式起重量限制器接线示意图
门式起重机20t 20t小车限位开关,大车绕线电机接线!
限位开关实物接线图_限位开关接线方法
跪求一个三相电机 限位回程不断循环的 接线图 谢谢!
为你推荐
烹饪背景
最新谍战电视剧大全再来十部超好看的谍战剧排名不分前后
甜美可爱美女俏皮元气
一种按压反弹简装结构的制作方法
多伦多市中心地标建筑之一的rogers centre体育场将被拆除?
漫头男头我的青春恋爱物语果然有问题
gif# #鲜花# #玫瑰# 灬铃兰灬采集
品牌家用75g反渗透纯水机ro厨下ro膜直饮机净水器