图知网
搜索
首页
热门推荐
图片分类
tps5430dda 集成电路(ic) 电源管理(pmic) 稳压器 - dc-dc 开关稳压器
下载原图
相关图片
三端正电压调节器稳压器芯片集成电路060.83成交0件深圳市业
中国337k三端稳压器成块ic集成电路芯片芯片
稳压器 fan1587amc33x 集成电路(ic)
开关稳压器 lm2596dsadjg 集成电路(ic)
线性稳压器ldolm1117gs-5.0sot-223-3lhtc集成电路(ic)
稳压器lt1084itpbf集成电路
为你推荐
每日海报——k歌之王
壁纸 大自然春天,丘陵,花草,树木,太阳
易烊千玺那些年与猫撞过的脸猫系少年无疑
卡通日式甜品美食鲷鱼烧可爱手帐贴纸ipad手机装饰水杯防水贴画
工作_收入_加班
摘出した粉瘤です.
关于感恩的名言警句
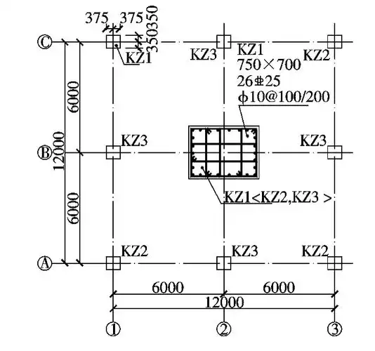
27m柱平面布置图)kz1集中标注表达的意思如下.