图知网
搜索
首页
热门推荐
图片分类
水冷螺杆式冷水机组安装使用手册
下载原图
相关图片
注塑专用风冷螺杆冷水机
采用螺杆式故名螺杆式冷水机,机组由由蒸发器出来的状态为的气体冷媒
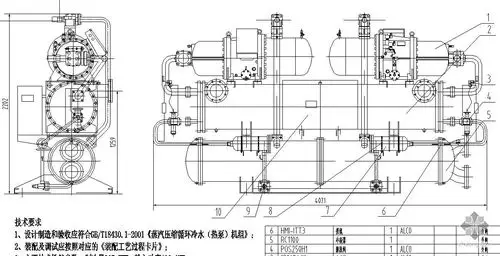
水冷螺杆式冷水机组详图
厂家直销工业螺杆式冷水机风冷螺杆冷水机螺杆60匹低温冷水机厂家
风冷螺杆式冷水机_双螺杆式冷水机组 - 南京创楚工业设备有限公司
满液式螺杆水冷冷水机组结构图
为你推荐
宋丹丹继女赵婷穿着真朴素,一袭黑衣像路人,丝毫看不出是大导演
59-89岁姐姐们用这三款发型,花白头发也能魅力四射!
旧爱浪#2011年《夏家三千金》,唐嫣饰演夏天美,单纯善良又迷糊的夏家
文字道家三清文字控壁纸
儿歌《小星星》的数字简谱
第六级 降e大调音阶 中国音乐学院钢琴考级作品1 6级
自然野趣的日式庭院茶庭露地
宇宙飞船简笔画儿童画创意画教程.