图知网
搜索
首页
热门推荐
图片分类
长虹hsu25d-2m8 210二合一电源板开关电源电路工作原理图解见图1所示
下载原图
相关图片
网上的资料少,根本上没有案例可查,24v led供电问题,采用ncp1397ag
zipncp13992 240w.zip
ncp1207a有时能启动有时不启动是什么原因啊
ncp1200 pdf,ncp1200中文资料,ncp1200应用电路-华秋商城
ncp1377问题急~~请帮忙
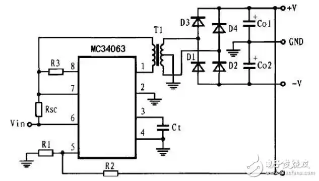
五,mc34063的应用电路
为你推荐
2021小男孩时尚发型15款,又帅又有型,剪完真精神
今天有幸能与唐人神集团陶一山董事长交流学习,探讨企业经营之道 - 抖
酸梅汤威士忌 glenscotiadoublecask格兰帝双桶单一麦芽威士忌
手部反射区图
18栋现代风格的一层别墅光看效果就很喜欢回头率100
活在别人的言论下是对自己的不尊重 #黑白动漫壁纸 - 抖音
难得一见 实拍螳螂产卵
水泥砂浆散水建筑设计施工图