图知网
搜索
首页
热门推荐
图片分类
电动窗帘电机的接线方法
下载原图
相关图片
电动窗帘控制系统单元电路ppt
磁驱直线电动窗帘机_电动窗帘机的智能化操作
基于单片机智能窗帘控制系统设计protues毕设课设
八款实用遥控电动窗帘电路图电动窗帘原理图
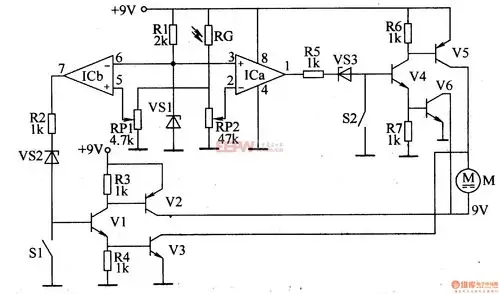
电路工作原理本例介绍的光控自动窗帘电路,制作简单,实用性较强.
可实现对家中电动窗帘一对一的开合控制,可以让窗帘停留在任何开合
为你推荐
郭富城年轻的时候图片郭富城6岁到55岁罕见照
《血界战线》克劳斯老板立体壁挂
鲜红的信箱素材
张雨绮恋上小8岁帅哥小提琴手?同回公寓亲密搂腰
18道烧脑数学题第一题就不会做看完感觉智商不够用了附答案
二沙岛独栋别墅.二沙岛宏城花园546方独栋别墅 售价:1. - 抖音
工资证明收入证明标准版
卡地亚蓝气球男款机械皮带手表