图知网
搜索
首页
热门推荐
图片分类
t型梁的预制工艺
下载原图
相关图片
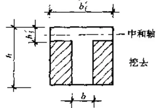
t梁上部两侧伸出的部分叫翼檐,中间部分叫梁肋或腹板.
预制t梁
t梁上部两侧伸出的部分叫翼檐,中间部分叫梁肋或腹板.
t梁上部两侧伸出的部分叫翼檐,中间部分叫梁肋或腹板.
两侧挑出部分称为翼缘,其中间部分称为梁肋(或腹板).
涉及预制构件的技术领域,其包括长条形的梁主体,所述梁主体包括腹板
为你推荐
陈乔恩好会找老公 陈乔恩的老公不仅多金,更是对她呵护备至,无微不至
灌篮高手手游关服了吗?灌篮高手手游停止运营消息
南波万的聚会词来了,是从小红书找到的,可以下载.
鼻梁高耸凸出,下巴圆润浑厚,显示非常不自然,山根更是高的可怕,整个
阳春砂仁60克干果煲汤蒸肉香砂春沙仁春砂仁【图片 价格 品牌 报价】
一年级看图写话,写出来我采纳
欧阳靖重返《新说唱》,从hiphopman到导师,从美猴王到好爸爸.
虎牙天珠:稀世珍宝,寓意财富与健康