图知网
搜索
首页
热门推荐
图片分类
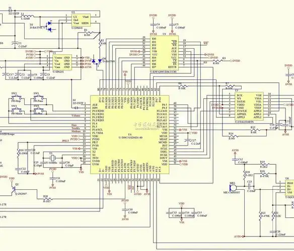
基于单片机的温度计程序原理图pcb图
下载原图
相关图片
原理图绘制好了就可以画pcb版了
单片机_基于51单片机的简易计算器设计(仿真 程序 原理图 pcb图 设计
pcb打样格式pcb打样用原理图可以吗
华强买电阻-第一张原理图(上)-pcb系列教程1-5-蒲公英云
电子时钟原理图及pcb图
最简单的超声波设计单片机烧写程序,原理图,pcb图
为你推荐
《抖音》热门两只粉兔子揪衣服表情包大全gif动图
22岁嫁大14岁周杰伦,连生三胎的昆凌,没你想得那么简单
学刘诗诗,杨幂将时髦衬衫从夏天穿到秋天!
fire…_来自fringe.的图片分享-堆糖网
上世纪50-60年代香港女演员
12星座蛇夫座排行榜,看看你排第几?
经典短突sigsg553突击步枪图集
在登山的过程中参透人生