图知网
搜索
首页
热门推荐
图片分类
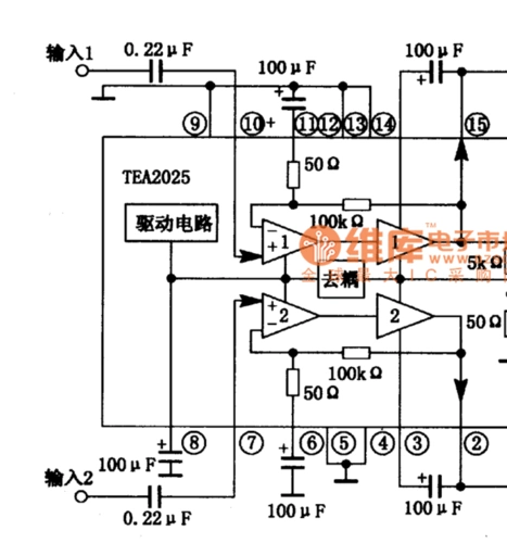
diytea2025b微型功放
下载原图
相关图片
tea2025b功放电路图
2025功放电路图
tea2025b音频功放集成电路简介
帮忙看看这tea2025b功放电路图!认不清元件参数!哪位高人给发一个!
从某块电路板上发现了tea2025b这个功放,求助diyer们
tea2025 双声道功率放大集成电路图
为你推荐
震后首个冬天北川老县城实拍 9年过去不能忘却的纪念
倪妮女神的气质太出众了,美的移不开眼,笑起来眼睛弯弯太好看
人类几千年后或产生新人种身高2米的棕色巨人基因突变2
绘本《100层房子》想象力爆棚.欢迎来到"100层的巴士来了 - 抖音
紫雪茄花
1,红米note 12 turbo一是新骁龙7的性能很不错.
第六代本田雅阁
不同商家的象牙白也有所不同,有些真的非常黄,像是用了很多年的白门