图知网
搜索
首页
热门推荐
图片分类
中央纪委国家监委网站 | 文世芳 王正义:全面加强纪律建设的根本遵循
下载原图
相关图片
检察日报社评:从最高检发布指导性案例计划
林区"家风故事,家规家训,家书家信"征集展示活动
县纪委监委
纪检监察机关在初核阶段可以采取的措施
应城纪检委员当好监督"探头"
2017年市纪委监察局总结
为你推荐
珍惜眼前人
最新西安地铁网规划资料
华为畅享20手机壳.金属质感纯色手机壳:手感舒适.简约时尚大 - 抖音
直播电商,是未来经济发展的新趋势?
哪位老哥来个银行卡里面有3500左右的截图现在的最好工商或者交通
创意二维码 | 视觉中国 旗下创意社区-视觉me
ka79m12rtf
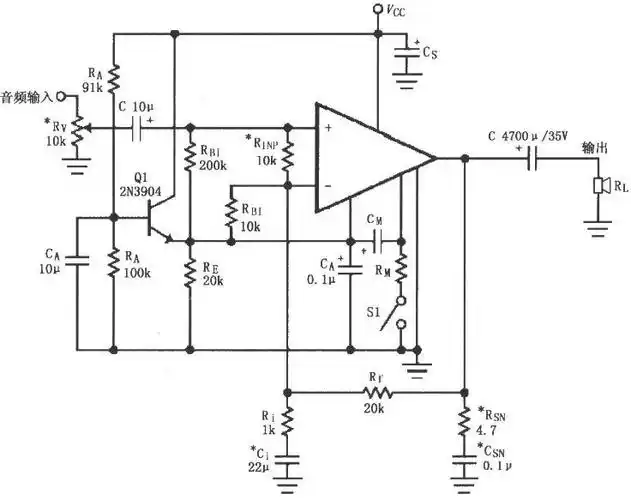
基于lm4732的音频功率放大电路图