图知网
搜索
首页
热门推荐
图片分类
proteldxp电路设计教程之电路原理图设计基础免费下载
下载原图
相关图片
零基础学电工,先要学会这些最基本的电路图
掌握这4种基本控制电路,初学电工看电路也不再难 - 电工基础_电工电气
零基础学电工,先要学会这些最基本的电路图
电动机制动控制电路图
看电气控制电路图的方法
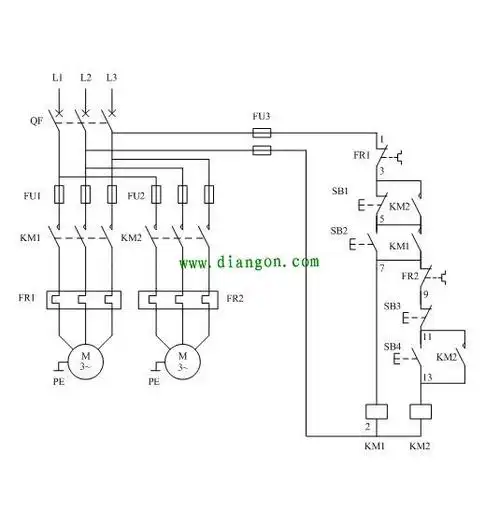
设计两台电动机顺序起动的工作控制
为你推荐
演员侯勇三段婚姻越娶越年轻一娶60后二娶70后三娶90后
谁说李若彤只有演小龙女才漂亮?那是你没见过这些照片
萌萌哒的虚拟202
回顾13年,周冬雨与窦骁今昔差距尽现 周冬雨和窦骁曾是荧幕情侣,但
动漫男头背♂影
女孩起名岚烟水月雾云霏雨最相宜的女宝宝名字
断足再植,我院显微外科技术再上新台阶
跳高女神胡麟鹏拒穿吴艳妮同款性感连体服:比赛时候动作幅度受限