图知网
搜索
首页
热门推荐
图片分类
亚麻风格天丝面料推荐.编号zy23442 幅宽148cm克重 - 抖音
下载原图
相关图片
天丝麻面料
酒午**醉合意女夏新款法式苎麻天丝纯色无袖长款开衩连衣裙 - 17网
yc211天丝亚麻平纹面料休闲工装裤上衣全棉服装用面料
天丝亚麻面料容易皱吗
天丝麻亚麻混纺仿麻面料 裙子连身裙衬衣时装提花泡泡布b031
厂家直供天丝苎麻休闲面料西服面料
为你推荐
ins清新治愈壁纸丨昂首碰见的都是柔情 - 图片壁纸 上海视道文化传媒
世界上真的存在平行空间吗?
幼儿园环创:小小传承人精美图片,助你轻松搞定美工区角不布置
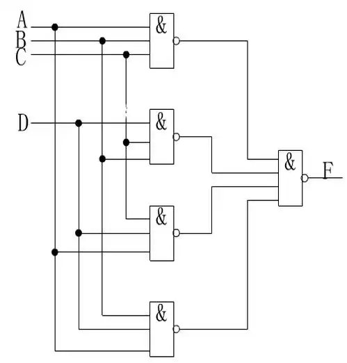
用与非门设计一个四变量多数表决电路 急求.
化学元素符号钙的化学元素符号照片
请问这是什么虫子,长得有点像蚂蚁,但又比蚂蚁大,最近家里来了好多
nba球星壁纸系列第十一期:字母哥
空气开关空开内部结构和跳闸原理_哔哩哔哩_bilibili