图知网
搜索
首页
热门推荐
图片分类
耳鼻喉科
下载原图
相关图片
要警惕!这名耳鼻喉科医生应该被珍藏!
耳鼻喉科主任 曾在上海长海医院,长沙湘雅医院,山大二院耳鼻喉科学习
耳鸣不用愁台州医院耳鼻喉科吴国民主任医师来二院坐诊啦
耳鸣不用愁台州医院耳鼻喉科吴国民主任医师来二院坐诊啦
杨有雄,耳鼻咽喉科主任医师,鄞州二院副院长.
耳鼻喉科
为你推荐
丧丧的情头_情侣头像_我要个性网
打开网易新闻 查看精彩图片劳动给人以聪明才智,劳动陶冶人的情操
中国风礼服手绘稿-服装画/服装设计手稿 - 穿针引线服装论坛
钢架楼梯贴瓷砖还是大理石还是木板?
学党史颂党情记电气工程部手抄报制作活动
南宋地图
糕点,小蛋糕,食物,照片,3870x2580
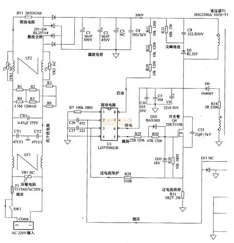
由驱动控制电路ld7750rgr(u1),mosfet开关管q4(25 k3115 b),开关