图知网
搜索
首页
热门推荐
图片分类
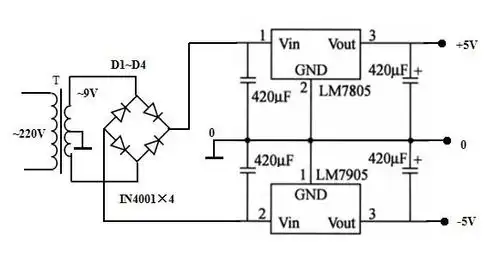
7805稳压电路图
下载原图
相关图片
7805的电源图,谁能详细解释一下4个二极管,起什么作用?
怎么用一个7805的稳压管加几个辅助元件设计一个输出为4.3v电压的电路
78057812直流12v5v稳压电源电路图和pcb源文件
怎么用lm7805供给ad转换准确的5v参考电压
7805端出来负5v,7905端出来正5v,是哪个位置错了?
用7805和7905加四个二极管和两个电容和变压器怎么把220v交流转成
为你推荐
郭品超官宣忘年恋在真爱面前年龄只是一个数字而已
40只巨猫大得不合常理 网民惊讶:飞扑讨抱的话,腰会断
麦田仰望天空的帅哥图片
果冻简笔画 果冻简笔画图片
"远洋天地"小区健康改造 远洋服务以匠心换舒心
体重120斤买胸罩买多大合适
兴奋excited搞笑美女gif动图_动态图_表情包下载_soogif
娱乐圈真正的武打演员一人对战十五人对方全部住院