图知网
搜索
首页
热门推荐
图片分类
乌镇旅游必去十大景点(乌镇旅游必去十大景点图片)
下载原图
相关图片
乌镇风景区旅游攻略
普陀地接怎么找,乌镇良心导游的推荐
乌镇风景区旅游攻略
乌镇,穿越千年的古镇,十大必去景点等你来探索!
乌镇必去的三大景点
千年古镇乌镇,中国最后的枕水人家,美成了一幅绝美的水彩画
为你推荐
为什么会得眩晕症?_经典案例_成都西南脑科医院_中华康网
鬼灭之刃# 灶门祢豆子画师:denchi p id=32176636
远情简谱1
老虎黑暗黑色高清4k2048x1536分辨率查看
挪威三文鱼腩刺身切片 约20片
2021唯美背影女生头像黑白头像图片
和你一样 歌谱 简谱
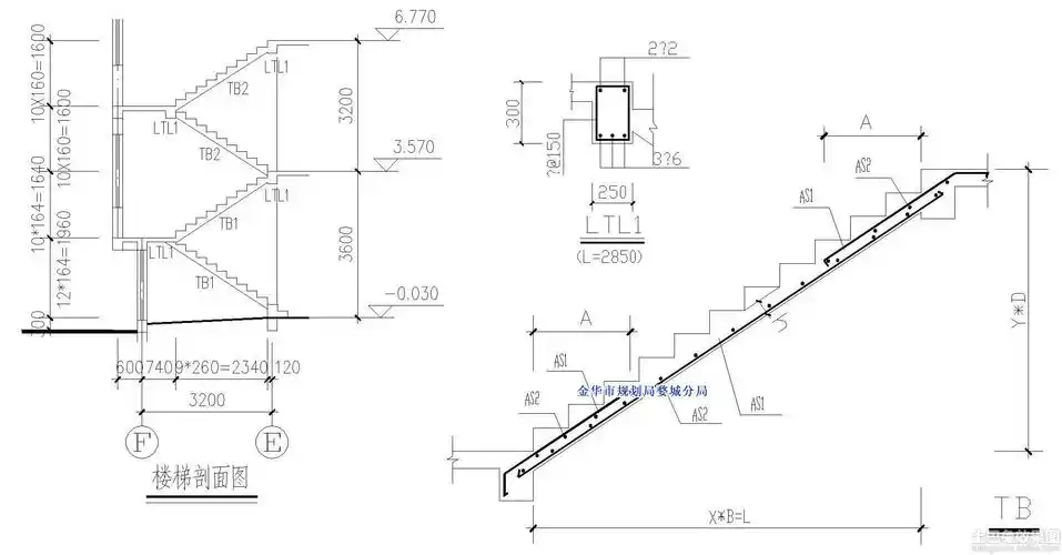
双跑楼梯剖面图设计