图知网
搜索
首页
热门推荐
图片分类
少儿绘画作品/儿童画/网络美术馆_中国少儿美术教育网海底世界儿童
下载原图
相关图片
猫头鹰—— 一年级作品#少儿创意美术 #画画 #原创#猫头 - 抖音
少儿美术美育作品七八岁建筑绘画
勾线笔 铅笔 橡皮适合:7—12岁小朋友每周更新少儿美术教程,图片作品
希望美术教育寓言故事创意绘画:狮子与蚂蚁
进宝斋美术班儿童作品展 ~~~~ 作品随机排序
2017美术系儿童画获奖作品
为你推荐
刘恺威王鸥被曝夜会共处4小时 双方无回复
240123 杨幂饰演《仙剑三》唐雪见角色引发粉丝热议
原创新涌现的6位古装童星她们美貌惊艳演技出众千万不要长残
微信卡通可爱古装头像图片大全【点击鼠标右键下载】
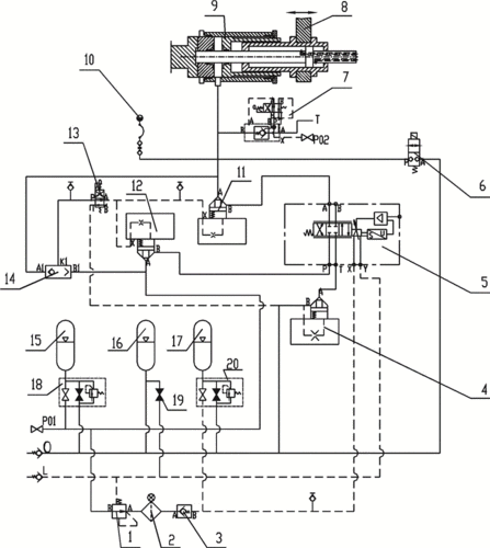
拉伸机拉伸液压缸的液压控制回路制造技术
至尊红颜2003┃李君羡x武媚娘cut38┃赵文卓x贾静雯
qq正脸头像女 女生头像图片大全 -【爱个性】
好爸爸人设崩塌 1,但挨骂的还是女人