图知网
搜索
首页
热门推荐
图片分类
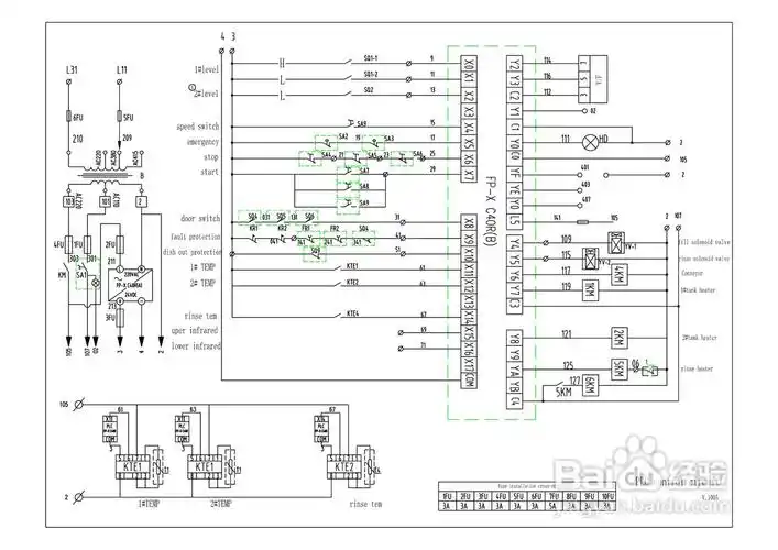
商用洗碗机电路原理分析
下载原图
相关图片
洗碗机原理图
洗碗机电路原理图 低成本洗碗机电路设计方案
科霸feg系列长龙式洗碗机说明书:[6]
洗碗机电路原理图 低成本洗碗机电路设计方案 - 洗碗机电路图 - 电子
cwdqx101洗碗机用程序控制器控制电路图
洗碗机的电路工作原理及结构
为你推荐
如何选择适合脸型的眼镜框脸型与眼镜的搭配
exo黄子韬明星风尚壁纸
研究类论文模板模版
教你简单画女孩侧脸
英雄联盟12周年#【偶像歌手 阿狸 皇室鸢尾 原画细节】pandart工作室
编号1563,26个中国红水晶苹果,祝你平安-微信头像,百家姓氏微信头像
草蜢
有趣的象形字——群英学校一年级72班