图知网
搜索
首页
热门推荐
图片分类
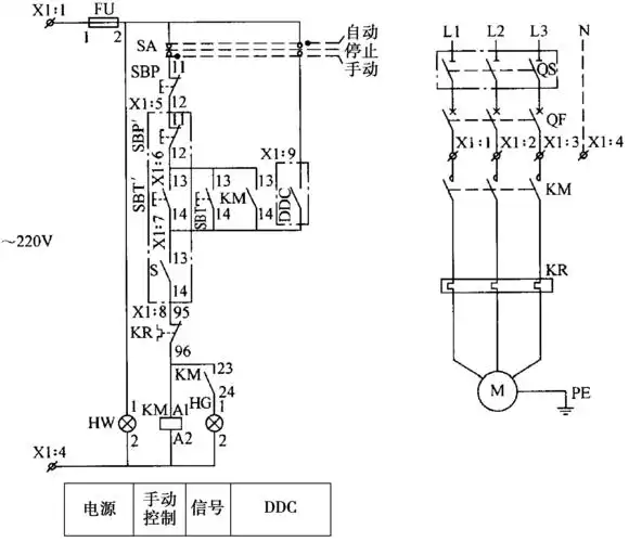
消防风机多线控制图-model
下载原图
相关图片
余压控制器如何联动风机
常用风机控制电路图的识读
来说一下消防风机的二次接线图,也就是消防风机的控制回路这一章
风机多线三根线控制柜里用什么模块怎么接
02静电除尘器开关控制:与风机联锁开关,当风机运行时,电除尘器(do1)
展开全部 可以的 给你发个接线图吧 你参考下就知道了 需要风机
为你推荐
别拿美国来比了,中国地理如此多样性可遇不可求,四大无人区太难得
刘学义 《清落》夜修独
素描干货两点透视知识点总结笔记
姐妹,这款黑色高端轻奢毛呢收腰西服套装 - 抖音
(宫崎骏唯美治愈系动漫风景壁纸)
暴走的悲伤蛙表情包gif动图-暴走的悲伤蛙图片下载-乐游网游戏下载
半是蜜糖半是伤:罗云熙告白成功,办公室紧抱白鹿亲上,太欲了
二次元动漫情侣头像,没关系,天空越黑星星越亮!