图知网
搜索
首页
热门推荐
图片分类
战舰少女r重庆号
下载原图
相关图片
战舰少女r重庆换装绯衣金带
【战舰少女r】重庆
战舰少女r全舰船之林仙 加拉蒂亚 佩内洛珀 曙光女神(重庆)图鉴 获取
战舰少女r重庆换装绯衣金带图鉴 重庆绯衣金带皮肤大破立绘
战舰少女r曙光女神怎么样 重庆号的前身
战舰少女r重庆船模换装buildfighter立绘
为你推荐
好久没临摹了发一张动漫女生
王一博蛋糕常州蛋糕绿色系蛋糕
名家详情
淘宝热卖的别克凯越abs泵推荐
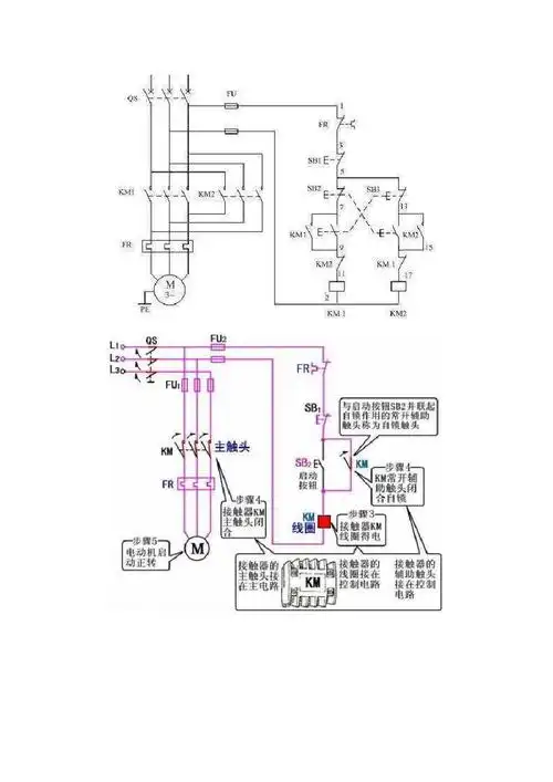
继电器常用自锁电路图
大脸盘子胖橘猫
迪阿股份冲刺ipo旗下dr钻戒被指伪造求婚案例发布虚假广告
得了鱼鳞病腿部症状图片