图知网
搜索
首页
热门推荐
图片分类
常用机床电气线路图
下载原图
相关图片
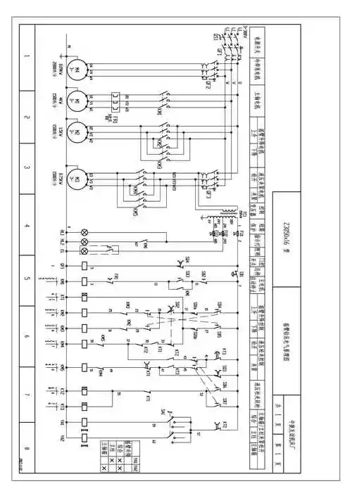
z3050x16摇臂钻床中捷电气原理图
kh-z3050摇臂钻床快速排除故障方法(针对本校仿真实训平台)
z3050摇臂钻床电气电路图(a3纸)
z3050×16中捷钻床电路图
z3050型摇臂钻床电气控制线路主电路分析
大型商场及物业空调配电系统图 kyn28a 电气单线图及原理图 厂用配电
为你推荐
凯悦装饰,主要提供办公室设计/办公室装修一站式服务,16年专注办公
他的离开至今是好莱坞的不解之谜_李国豪
逸泽敖子逸李天泽唯你懂我心友情向一起继续陪着两个宝贝走花路吧
情侣头像『2』_情侣头像_头像_头像分享_素材_头像
林俊杰|记得|吉他谱.#林俊杰记得 #吉他谱 - 抖音
爱茉莉5cb染发前后
立卫克奥美拉唑肠溶胶囊胃药胃疼慢性肠胃炎胃痛胃酸过多肠胃消化
①简笔画之主题画马路上的车